ESP Wi-Fi kontroller kartı ailəsinin yeni və daha çoxfunksiyalı üzvü ESP32-S3 həm Wi-Fi və Bluetooth dəstəkləməklə, həm də qoşa nüvəli Xtensa® prosessoru və üçüncü aşağı enerji sərfiyyatlı, köməkçi prosessorla özünə demək olar ki rəqib tanımır. Müxtəlif sensor və aktuatorlarla rahatca bağlayıb, yüksək performansla əşyaların interneti (İoT) və ya Süni İntellekt, maşın öyrənməsi (ML) və sənaye layihələri hazırlamağa imkan verir.
🔧 Xüsusiyyətləri: ESP32-S3 N16R8
🧠 Prosessor / Nüvə
- CPU: 2 nüvəli Xtensa® 32-bit (əsas), ULP prosessor (köməkçi)
- Takt Sürəti (Clock Speed): 240 MHz
- Ultra-low-power köməkçi (co-processor): Yuxu rejimi, aşağı enerji rejimi və sensorları idarə etmək üçün
- İşləmə gərginliyi: 3.0V – 3.6V
- Tövsiyə olunan nominal gərginlik: 3.3V
🧮 Yaddaş
- Embedded PSRAM: 8 MB
- Embedded Flash: 16 MB
- ROM: 384 KB
- SRAM: 512 KB + 16 KB RTC SRAM
📶 Simsiz Rabitə
- Wi-Fi: IEEE 802.11 b/g/n (2.4 GHz), AP, STA, AP+STA
- Bluetooth®: Bluetooth 5 (LE), long range 2 Mbps PHY
🎮 Periferiyalar
- USB: Full-speed USB OTG (Device & Host)
- GPIO: 45
- LED: WS2812 RGB (gpio pin 48)
- İnterfeyslər:
- 4x SPI, 2x I2S, 2x I2C, 3x UART
- LCD
- RMT (remote control)
- LED PWM, MCPWM, ADC, DAC, və s
🔐 Təhlükəsizlik
- Secure boot
- Flash şifrələmə
- Cryptographic hardware acceleration (AES, SHA, RSA, HMAC, etc.)
🔗 Əlavə keçidlər:
- Məlumat vərəqi (datasheet)
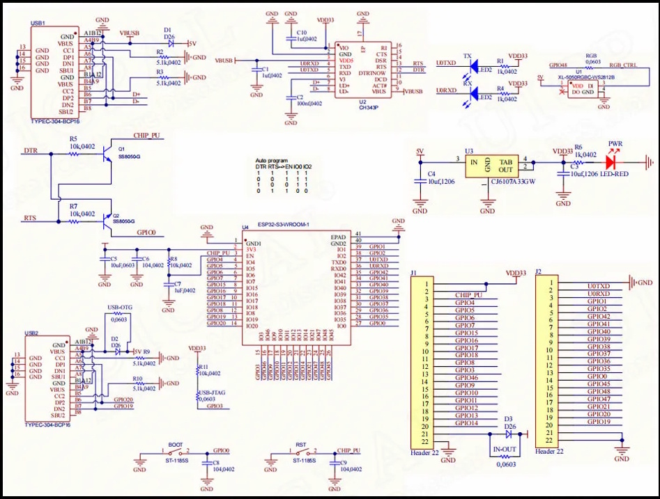
- Dövrə Sxemi
- ESP32-S3 DevKitC-1 səhifəsi
- Pin Diaqramı
- ESP32 Arduino nüvəsi
- MicroPython dəstəyi
- ESP32 və Arduino İDE (videodərslik)
- CH343 Driver
- Ətraflı məlumat








